专注换热设备,板式换热器,压力容器,板式换热器,板式换热机组!
公司简介
联系我们
扫一扫咨询详情
全国咨询热线:
18705418818
网站首页
公司简介
企业文化
荣誉资质
新闻中心
公司动态
行业动态
常见问题
产品中心
换热器
换热机组
锅炉电站辅机
供水机组
水处理设备
污水环保设备
合作客户
应用案例
在线留言
联系我们
当前位置:
首页
>
产品中心
>
换热器
产品中心
PRODUCT CENTER
换热器
换热机组
锅炉电站辅机
供水机组
水处理设备
污水环保设备
联系热线
18705418818
联系人:张经理
手 机:18705418818
电 话:0531-87221588
地 址:济南市长清区志信工业园
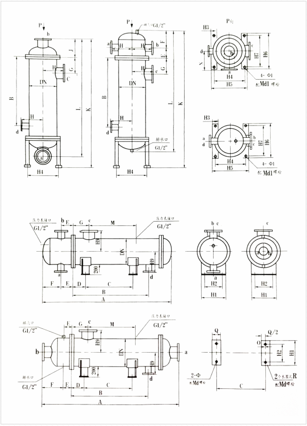
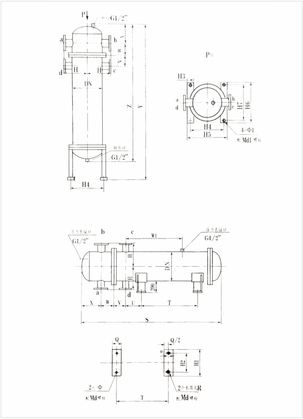
管壳式(湍流螺纹管)换热器
发布时间:2021-08-29
人气:
35
上一篇:
空气(井口)加热器
下一篇:
高温汽水板式换热器
在线客服
服务热线
服务热线
0531-87221588
微信咨询
返回顶部